MWCNT-Water-Dispersion

SWCNT water dispersion

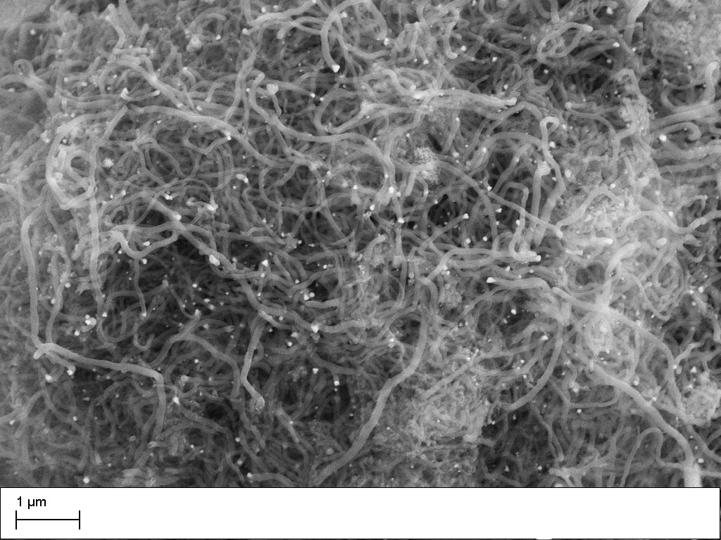
Carbon nanotubes, both single-wall and multi-wall, are widely used and well-characterized as nanofillers. These materials, composed of rolled graphene sheets, have unique properties due to their sp2 compounds. The tensile strength of carbon nanotubes is 100 times higher than that of steel, and the specific gravity is about 6 times lower. The CNT thus initiated extensive research in the field of biomedicine - materials, biosensors, the transport of medicines, composite materials and textiles due to their high chemical resistance and good mechanical and thermal properties, as well as electrical and biochemical properties.

CNTs come into question as promising nanofillers in composite materials, which are increasingly used in many technical solutions owing to. Its advantages over traditional structural materials such as metals, which offer high stiffness and good strength-to-weight ratio, are among the most attractive properties of CNT. Nanotubes are often used to reinforce composite materials. The use of glass fibers coated with nanotubes can increase the strength of the entire GRP (glass-fiber-plastic) by 60%.